DIN    7344 
 ISO    8748 
   s   
      
 Werkstoff/     Federstahl  
 strength     spring steel  
   s    
 Oberfläche/      
 surface      

Spiral-Spannstifte, schwere Ausführung
Spiral pins, heavy duty


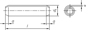
 Nennmaß  1,5  2  2,5  3  4  5  6  8 
 a  0,5  0,7  0,8  1  1,3  1,7  2  3 
 s  0,17  0,22  0,28  0,33  0,45  0,56  0,67  0,78 
 d 1 min. vor dem Einbau  1,6  2,1  2,6  3,12  4,15  5,15  6,25  8,35 

Maße in mm


Nicht aufgeführte Abmessungen und/oder Ausführungen bitte anfragen.